TDA7293 የድምፅ ኃይል ኤፒኤፍፊተር መመሪያ
የ TDA7293 ማጉያ ኦፕሎፒተር ለከፍተኛ ታማኝነት ኦዲዮ ትግበራዎች የተዋሃደ-ቺፕ የተዋሃደ የወረዳ ባለሙያ ነው.ይህ አጠቃላይ ጽሑፍ የሚ...
Oct 04
ዕይታዎች: 8946
የ CMOS ምሰሶ አይ.ሲ.ሲ.ይህ የፍጥነት እና ውጤታማነት የተጨናነቀ, እስከ አሥር የ LS-TTL ጭነት ጭነት እና ውስጣዊ ዳይዴሪ የመነሳት ችሎታ, 74hcoic የመኖርያ ጥበቃ, በዲጂታል የወረዳ ንድፍ ውስጥ እንደ ሁለገብ እና አስተማማኝ አካል ሆኖ.ለተሻሻለ ጫጫታ የበሽታ መከላከያ የበሽታ መከላከያነት እና ከበርካታ ኢንዱስትሪ-መደበኛ እኩል ተመጣጣኝ አካላት ጋር ተኳሃኝነት እንዲኖር ለማድረግ የተደነገጉ ህገ-ወጭዎችን ማድነቅ ይችላሉ.

የ 74 00አራት ንባቦችን በማካተት አራት የኒ.ኤስ.ሲ.ሲ.
ሲሊኮን-በር CMOs ቴክኖሎጂን በመጠቀም, በዝቅተኛ የኃይል ፍጆታ ላይ ትኩረት በሚሰጥበት ጊዜ የአፈፃፀም ፍጥነቱን ወደ LS-TTL ያገኛል.ይህ ቀሪ ሂሳብ ከሥነኛነት ጋር የሚጣጣሙ ዲዛይኖች ሁለቱንም ፍጥነት እና ውጤታማነት እንዲሰሩ ያስችልዎታል.የተገመገሙ የ Google ሕገ-ወጭዎች ፈታኝ ምልክቶችን እንኳን ሳይቀር ለተረጋጋ አፈፃፀም አስተዋፅኦ የሚያበረክት ምክንያት.
እስከ አስር የ LS- TTL ጭነቶች የመነሻ ችሎታ በርካታ የምልክት ውጤቶች ለሚፈልጉት ስርዓቶች ተስማሚ ያደርገዋል.
በውስጠኛው ዳይድ ማቀነባበሪያ የታሸገ, ከኤሌክትሮስትሪ ፍሰት ጋር የተዛመዱ አደጋዎችን ይቀንሳል.ይህ ባህርይ የረጅም ጊዜ አስተማማኝነትን በመፈለግ ላይ ያለውን ጥበብ በማንፀባረቅ በመዘርጋት የእርነት ረጅም ዕድሜን በማንጸባረቅ ሚናውን ያጎላል.
መተካት እና እኩልዎች
•
CD4011
CD4011
I-CORE
701
In Stock: 25220 pcs
• MC54HC00ADJD
• Sn54ls00
• SN74hctctctcte4

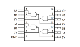
• ፓይስ 1, 2, 4, 5, 12, 13-የውሂብ ግብዓቶች
እነዚህ ማጫዎቻዎች በቺፕ ውስጥ ያሉትን የ Nand ሎጂክ ሎጂክ አመክንዮአዊ አሠራሮችን ለመቀበል የተያዙ ናቸው.እነዚህ ግብዓቶች ለቁጥጥር እና ትንበያ ለማንፀባረቅ አስተማማኝ የወረዳ ባህሪን ነፃ እንደሆኑ ማረጋገጥ.
• ከ 3, 6, 8, 11 ጋር, የውሂብ ውጤቶች
እንደ መወጣቶች በመሆን እነዚህ ፓንኮች የናንድ በር ስሌቶችን ያስገኛል.በተለያዩ ዲጂታል ሎጂካዊ ሎጂካዊ ሎጂክ ውስጥ ተቀጥሮ ሊሠሩ ይችላሉ, ውስብስብ አመክንዮአዊ ቅጦች አንድ ላይ ናቸው.በርካታ ወረዳዎች ከአንድ ነጠላ ውፅዓት ጋር ሲገናኙ, የመጫኛ መጫዎቻዎች ተጽዕኖ በተናጥል ግንኙነቶች ውስጥ በሚያስፈልገው ሚዛን ሚዛን ውስጥ ሊያስከትሉ ይችላሉ.
• ፒን 7: መሬት (Gnd)
ይህ ፒን ለ volt ልቴጅ የማያቋርጥ የማጣቀሻ ነጥብ ለማቅረብ ከስርዓት መሬቱ ጋር ይገናኛል.እንዲህ ዓይነቱን የተረጋጋ ግንኙነት መመስረትን የመግቢያ እና ግልጽነትን በመፈለግ, ረብሻዎችን በማቀነባበር ተፈጥሯዊ ማሳደፍን ይደግፋል.
• ፒን 14: አዎንታዊ የኃይል አቅርቦት (VCC)
በዚህ ፒን በኩል ትክክለኛውን የ voltage ልቴጅ መመገብ የመሣሪያውን አፈፃፀም ይደግፋል.በተጠቀሰው ክልል ውስጥ ውበቷን የሚጠብቀን ረጅም ዕድሜን እና ውጤታማነትን ያሻሽላል, የመለያየት ችሎታዎችን ያሻሽላል, የመግቢያ ፓነከላዎች የህይወት ውስብስብነት ለማቀናበር ቀዶ ጥገናውን, የመርከብ ስራዎችን ማረጋጋት ይችላሉ.
744HC00 የተዘጋጀ ሲሆን በዲጂታል ወረዳዎች ውስጥ አስተማማኝ አፈፃፀም ላይ በመሳብዎ በኃይል ውጤታማነት ላይ የሚያተኩሩ አራት ገለልተኛ ናንድ በርዎዎች ነው.አስደናቂው ጫጫታው የሚሽነው የበሽታ መከላከያ ለተረጋጉ ትግበራዎች አስተዋጽኦ ያደርጋል, ይህም ብዙዎች ለፕሮጀክቶች ቅድሚያ ይሰጣሉ.በ SUPS እና በአብሪ ቅርፀቶች የሚገኝ, የተለያዩ የዲዛይን ፍላጎቶችን ያሟላል እናም ተለዋዋጭ የ PCB አቀማመጥ አማራጮችን ይሰጣል.
የ 74 ኤች.ሲ.ዲ.ዲ.ዲ.ዲ.ዲ.ዲ.ዲ.ዲ.ዲ.ዲ.ዲ.የተወሳሰበ ዲጂታል ተግባሮችን ለመሰንዘር ጠቃሚ ሆኖ አግኝቶ ጠንካራ ትምህርቱን / የውጤት የማሽከርከሪያ ችሎታን ከፍ ማድረግ ይችላሉ.
በተለያዩ ሁኔታዎች ስር የመስራት ችሎታ በትምህርት እና በታሪካዊ እድገት ውስጥ ታዋቂ ነው.ከሚያስጨንቅው የወረዳ ውስብስብነት ጋር የሚገናኝበት ምቾት ማበረታቻ አፈፃፀምን ሳያስከትሉ አዳዲስ ፈጠራዎችን እንዲመረምሩ ያነሳሳዎታል.
የቴክምአስ መሣሪያዎች አስተማማኝ እና የመሬት መንቀጥቀጥ ሰፈር ምርቶችን ለመፍጠር ለችግሮቻቸው መረጃዎች ዝና አግኝቷል.ባልተሸፈኑ እና የላቀ አፈፃፀም ላይ ሳካካታቸው የቴክሳስ መሣሪያዎች ክፍሎች በመጠቀም በኤሌክትሮኒክስ ኢንዱስትሪ ውስጥ ውጤታማ ሚናቸውን በሚያሳዩ በርካታ መተግበሪያዎች ልብ ውስጥ ይገኙበታል.
8.65 ሚሜ x 3.91 ሚሜ x 1.58 ሚሜ, 74 ሚሜ, 74 ሚሜ, ለተጨናነቁ አካባቢዎች የተስተካከለ ቀጭን ንድፍ ይኮራል.እነዚህ ልኬቶች የመሣሪያውን አስገራሚ ችሎታዎች ሳይጨርሱ ያለማቋረጥ የተገደበ ቦታን እንዲያንቁግሙ በሚያስደንቅ የወረዳ ቦርድ አቀማመጦች ውስጥ ውህደትን ያወጣል.
የአቅርቦት ልቴጅ የ voltage ልቴጅ የ voltage ልቴጅ ኃይልን በመምረጥ እና በተመረጡ የዲጂታል ወረዳዎች ሰፋ ያለ ተኳሃኝነትን ማረጋገጥ.ይህ የ vol ልቴጅ ክልል በተለዋዋጭ አከባቢዎች ውስጥ ጥያቄዎችን ለመለወጥ 744HC00 ን ያዳክማል.
ውጤታማ በሆነ -40 ዲግሪ ሴሬድ እና 85 ° ሴ መካከል ውጤታማ በሆነ መንገድ በመስራት መሣሪያው ለተለያዩ የአየር ንብረት ባህርይ እና የኢንዱስትሪ ሁኔታዎች ውስጥ እንዲበለጽግ ተደርጎ የተሰራ ነው.የሙቀት መጠን ያለው ተቃውሞ መቃወም ለአካባቢያዊ ልዩነት ከተሰጠ የሸማች ኤሌክትሮኒክስ እና የኢንዱስትሪ ማመልከቻዎች ተመራጭ ምርጫ ያደርገዋል.
ለከፍተኛ ፍጥነት ሎጂካዊ ተግባራት አስፈላጊነት ውጤታማነት ውስጥ 23 ናኖኮኮኮችን መዘግየት ማቅረብ.ፈጣን አፈፃፀም እንደ ዲጂታል የምልክት ቁጥጥር እና የግንኙነት ስርዓቶች ላሉት መተግበሪያዎች ጠቃሚ ነው, ፈጣን የመረጃ ልውውጥ አስፈላጊ ነው.
መሣሪያው 4 ጌቶችን ያካተተ, ለናንድ ሎጂክ ስራዎች ለተወሳሰበ ሎጂክ ዲዛይኖች ጉልህ የሆነ ተግባራዊነት ይሰጣል.ይህ ውቅር አመክንዮዎች ውጤታማ በሆነ መንገድ እንዲገደል የሚያስፈልገውን አመክንዮአዊ ክወናዎች አስፈላጊ በሚሆኑበት ጊዜ, በሲስተሞች ውስጥ ፈጣን እና አስተማማኝ ሂደትን ያረጋግጣል.
እንደ ሎጂክ በር እየሰራ, 74 0000 በዲጂታል የወረዳ ፈጠራ ውስጥ እንደ ዋና አካል ሆኖ ያገለግላል.እነዚህን ንጥረ ነገሮች የዲጂታል ስርዓቶችን ለመገንባት, ስለሆነም የሂሳብ ስልጣንን ማጎልበት እና የፈጠራ መንገዶች ውስጥ ማቀነባበሪያ ችሎታዎች ማሻሻል ይችላሉ.
744hc00 እያንዳንዳቸው ወደ አንድ ነጠላ ውፅዓት የሚያመሩ ሁለት ግብዓቶች እያንዳንዳቸው አራት ግብዓቶች ያላቸውን አራት ግብዓቶች ጋር ያዋህዳል.የቀዶ ጥገናው በዝርዝር እውነት ጠረጴዛ ላይ የተመሠረተ ነው.በተለይም, የውጤት ጠብታዎች ሁለቱም ግብዓቶች ከፍ ካሉ ብቻ ዝቅተኛ ነው.ያለበለዚያ ውጤቱ የበለጠ ውስብስብ ወረዳዎችን በመፍጠር ውስጥ እንደ ዋና አካል በመሆን በዲጂታል ሎጂክ ንድፍ ውስጥ የመጀመሪያ ደረጃ ነው.
አዎንታዊ ግብረመልስ በእነዚህ በሮች ላይ ባለው መረጋጋት ላይ ተጽዕኖ ያሳድራል.እያንዳንዱ በር ግብዓቶችን ሲያካሂድ, የተረጋጋ የውፅዓት ሁኔታን የሚያደናቅፍ, የማያቋርጥ አፈፃፀም የሚያደናቅፍ ነው.ይህ ተመጣጣኝነት በግቤት እሴቶች ላይ ያለውን የደመና ምላሽ በመግባባት ላይ ይገኛል.የተረጋገጠ ትንበያዎችን በመግለፅ ላይ እምነት የሚጣልባቸው ሎጂክ ክልሎችን በመፍጠር ለሚፈለጉት የሎጂክ ግዛቶችን የሚጠይቁ ወሳራዎች ወደዚህ መግባባት ይችላሉ.
በኒ እና በሮች ውስጥ የግብዓት-ውፅዓት ተለዋዋጭነት ያላቸውን ምልቶች መያዙ የወረዳ ንድፍ ያላቸውን የወረዳ ንድፍ ያላቸውን አቅም ያሻሽላል.የተለመዱ ትግበራዎች የሚንሸራተቱ ፍሎፕ-ተንሳፋፊዎችን መገንባት እና እንደ ወይም, ወይም, እና ስራዎች አይደሉም.ይህ ስጊያው ከቀኝ ቁጥጥር የመቆጣጠሪያ ዘዴዎች ጋር ቀጥተኛ ያልሆነ የቅኝት ማዕቀፎችን በመያዝ ጉዲፈቻቸውን በአገዶች አሰጣጥ ላይ ያጎላል.
በ 74 00 ሰፋ ያለ መገልገያ ላይ ማሰላሰል, አስተማማኝ አፈፃፀም ለኢንዱስትሪ አውቶማቲክ በሚሰነዘረበት ሜዳዎች ውስጥ አስፈላጊነት ያገኛል.እነዚህን በሮች በተናጥል ሎጂካዊ ማዕቀፎች ውስጥ እነዚህን በሮች የማመቻቸት ኃይል ፈጠራን የሚያበረታታ ነፃነት ነፃነትን ይሰጣል.የነርሶች ሮች ዋና ዋና መርሆዎች ለየት ያሉ የቴክኖሎጂ መሰናክሎች ተስማሚ የሆኑት ያነሳሳሉ.
744HC00 እጅግ በጣም ትክክለኛ ትክክለኛ ትክክለኛነት የተሠራ የሁለት ግቤት ናንድ በር ነው.እሱ በሚስማማ መንገድ የሚመጡትን ትክክለኛነት እና የቴክኖሎጂ ሶፊስቲካዊ ቅልቅ ያደርጋል.
• ሰፊ በሆነ የ volt ልቴጅ ክልል ላይ ይሠራል
• ፈጣን ፕሮፊሰር መዘግየት ያሳያል
• ለከፍተኛ ፍጥነት እና ዝቅተኛ ኃይል አሠራሮች ተስማሚ
• Voltage ልቴጅ እና ወቅታዊ-ይህ የአካል ክፍሎች የስራ ስብዕት ደረጃዎች, ልዩ የንድፍ ፍላጎቶችን ማስተናገድ.
• የሙቀት መጠን: - ለተለያዩ የአካባቢያዊ ሁኔታዎች መላመድ የመቀጠልን የሙቀት መጠን: - በአስተማማኝ የሙቀት ቅንብሮች ሁሉ በአስተማማኝ የሙቀት ቅንብሮች ያስተካክሉ.
• አጠቃላይ አጠቃቀሞች-ሁለገብ አካል, በሚዛባ ዲጂታል ወረዳዎች ውስጥ ቦታ ያገኛል, ከእለት ተዕለት ተግባራት ጋር ወደ ውስብስብ ትግበራዎች ከፀደቁት ጋር በመተግበር ላይ.
• የተወሰኑ ትግበራዎች-ከሸማቾች ኤሌክትሮኒክስ ወደ ኢንዱስትሪ ዘዴዎች,
74HC00
በእያንዳንዱ ትግበራ ውስጥ ፍጆታውን ማንጸባረቅ.
74HC00
RENESAS
74HC00 ST SOP
In Stock: 6124 pcs
74 000 ቺፕ አስደናቂ አስተላላፊነት ያሳያሉ, በተናጥል የኤሌክትሮኒክ አሞያዎች ውስጥ ብዙ ጊዜ በመመስረት ብዙ ጊዜ በመመስረት ይገለጻል.
በጠቅላላው ወረዳዎች ውስጥ እንከን የለሽ ተያያዥነት ያለው ግንኙነትን የሚያስተካክለው 744 ኤች.ሲ.የ voltage ልቴጅ ጠብታዎችን በመቀነስ እና የታገደ የምልክት መበላሸት በመቀነስ በሥነመኞቹ መካከል ወጥነት ያለው ግንኙነትን ያወጣል.በ <እጀታ> ኤሌክትሮኒክስ ውስጥ የ 74CC00 ን እንደ ቋት በመቀጠር, በርካታ LEDs ብዙ LEDs ወይም Roddoles ን ለማግበር የሚያስችል ማይክሮContrower ን አቅም ማጎልበት ይችላል, Drives ኘሮጀቶች ውስጥ በተደጋጋሚ.
ይህ ቺፕ እንደ Nand ጌቶች ያሉ ውስብስብ ስርዓቶችን መሠረት የሚመስሉ እንደ ናዝኪኖች አሠራሮችን ያነቃል.በእጅ የማይበለለው ምግቦች ውስጥ የሚደረግ ውህደት አጠቃቀሙን ያጎላል.በዲጂታል ዲዛይን ውስጥ የናንድ ጌቶችን ማባከን የናንድ ጌቶችን ያካሂዳል, ሁለቱንም አቅመ ቢስ እና ሥነ-ምግባርን ማጎልበት የተራቀቀ አመክንዮአዊ አመክንዮዎችን እንዲገነቡ ኃይል ይሰጣል.
በተካተተ ስርዓቶች ውስጥ, በ 74400 በ Spercontrower ተነሳሽነት ተነሳሽነት በሚካሄዱት ምክትል ተግባራት ውስጥ የ 74 000 Strcipline የሥራ ግዴታዎች.
ሁኔታዊ ቼኮች ለመፈፀም, የስርዓት ምላሽ ሰጪነት እና አስተማማኝነትን ለማሻሻል በርካታ አመልካቾች ይህንን ቺፕ ይጠቀማሉ.
744hc00 በአነስተኛ ወረዳ መካከል የመግቢያ ደረጃን በመስተካከል ደረጃ በደረጃ የመለወጫ ለውጥ ውስጥ ውጤታማ ሚና ያቀርባል.ይህ የተለያዩ የ voltage ልቴጅ ደረጃ አሰጣጥዎችን በመጠቀም ለስላሳ የእኩልነት አጠቃቀምን ያመቻቻል.በተደባለቀ-voltage ል ትምግልናዎች ውስጥ እንደ የ 5v Microsovermenter ወደ 3.3V ዳሳሽ ማገናኘት ያሉ በተደባለቀ-ሉቶች ሁኔታዎች ውስጥ 74V ኤድኬክ ዳሰሳ ጥናት ክፍያን ማካፈልን የሚያረጋግጡ ክፍያን ይከፋፍላል.
ቺፕ እንዲሁ የጊዜ ሰሌዳ እና ቁጥጥር ወረዳዎች ውስጥ እና የመርሃግብር ምሁራን ማስተባበር, እንደ መዘግየት መስመር ወረዳዎች እና የልብስ ትውልድ ያሉ ትግበራዎችን በማሻሻል ላይ ያሉ ባህሪያትን የሚያስተካክሉ ናቸው.ከ 74 00 ጋር የማጣቀሻ ወረዳዎችን ማጣራት እንደ ማመሳሰሪያ የግንኙነት ስርዓቶች ባሉ ተግባራት ውስጥ ትክክለኛነት ያላቸውን ተግባራት ያሻሽላል, መረጃ ባለበት ጊዜ ውስጥ የመረጃ ተደራሽነትዎን የሚጠብቁ ናቸው.
በዲጂታል ማዕቀፎች ውስጥ ውሳኔ ለመስጠት ተስማሚ ለሆኑ ሁለትዮሽ ማነገሪያዎች ዲጂታል ማነፃፀር 74 እሳቶች.በሁለትዮሽ አኃዞች መካከል እኩልነትን ወይም ልዩነት ይለያያል.7440000 ሁለትዮሽ ንጽጽር
74HC00
ን በመጠገን ላይ ለ ሁለት ጎን ለጎደለው የቅርጫት ውሳኔዎችን ለመተግበር የተስተካከሉ ውሳኔዎችን, የሥራ አፈፃፀምን በማጠንከር.
74HC00
RENESAS
74HC00 ST SOP
In Stock: 6124 pcs
74v ወደ 6.0ቪ ወደ 6.0ቪ በሚሠራው የኃይል ብዛት ውስጥ የሚሠሩ አራት ገለልተኛ ባለ2-ግብዓት ናንድ ቤቶችን አጣምሮታል.ዲጂታል ሎጂክ ስርዓቶችን ማገልገል, ሎጂካዊ አሠራሮችን መፍጠር ያስችለዋል, ይህም ውስብስብ የሆነ የዲጂታል ሕንፃዎች የጀርባ አቦንን ይፈጥራል.
74700 እያንዳንዳቸው ሁለት ግብዓቶች እና ነጠላ ውፅዓት የተቀየሱ የአራቱን ናናዎች ስብስብ ይይዛል.ይህ ውቅረት በዲጂታል ኤሌክትሮኒክስ ውስጥ አሃዶችን ሲያድጉ የተለመደ ምርጫ ነው.
ዋና ልዩነት የ voltage ልቴጅ መላመድ ነው.74vc00 በ 2ቪ ክልል ውስጥ የሚሠራው 74 ቪ.ምርጫ ብዙውን ጊዜ በትግበራ ፍላጎቶች እና አካባቢያዊ ሁኔታዎች ልዩነቶች ላይ የተመሠረተ ነው.
የ 74hc ተከታታይ ተከታታይ የ CMOS የተዋሃዱ ወረዳዎችን ያቀፈ, TTL- ተኳሃኝ ፍጆታዎችን በማቀነባበር የሚያቀርቡ ናቸው.ከ 74S ተከታታይ 'የ <ፒን አቀማመጥዎች> ጋር ተኳኋኝ ቀላል ውህደትን እና አሁን ባለው ወረዳዎች ውስጥ ምትክ እንዲሆኑ ያስችላቸዋል.
በጂጂጂጂጂቱ ወረዳዎች ውስጥ የ 74 ኤች.ሲ.ሲ.መላመድ የመለዋወጥ ችሎታ በትምህርታዊ ሁኔታዎች እና በባለሙያ የኤሌክትሮኒክ እንቅስቃሴዎች ውስጥ ጠቃሚ ንብረት ነው.
Oct 04
ዕይታዎች: 8946
Nov 11
ዕይታዎች: 6346
Apr 16
ዕይታዎች: 451
Apr 16
ዕይታዎች: 407
Apr 16
ዕይታዎች: 347
Apr 16
ዕይታዎች: 367
Apr 15
ዕይታዎች: 491
Apr 15
ዕይታዎች: 456